- Mit TERSA Messerwelle für sekundenschnelles Hobelmesserwechseln
- TERSA-Hobelmessersystem ermöglicht besonders geräuscharmen Lauf
- Schräg verzahnte Stahleinzugswalze für konstanten und gleichmäßigen Holzeinzug
- Die besonders langen Abrichttische aus einem Stück ermöglichen leichtes Abrichten der Werkstücke
- Großer Abrichtanschlag kann beim Öffnen der Abrichttische in seiner Position bleiben
- Nach hinten öffnende Abrichttische
- Das hohe Maschinengewicht sorgt für höchste Präzision und ruhigen Lauf
- Leistungsstarker Industrie-Motor
- Robuste Stahl-/Graugusskonstruktion
Arbeitstische aus Grauguss, nachgeglüht und spannungsfrei, dadurch unempfindlich und dauerhaft plan- Tischlippen für geräuscharmen Lauf
Ausstattungsdetails
TERSA-Hobelmesserwelle
- Kein Einstellen und Schrauben mehr
- Hobelmesserwechsel in Sekunden
- Selbstarretierend
- Besonders geräuscharm
- Perfektes Hobelergebnis
Absaugschlauch-Anschluss
- Die Absaugstutzen der Abrichte und Dicke zeigen in die selbe Richtung.
- Der Schlauchanschluss erfolgt von nur einer Seite aus.
- Es wird kein Schlauch benötigt, der um die Maschine herumreicht.
Antrieb
- Stabil ausgelegter Kettenantrieb
- Antriebsräder aus Stahl
- Massiver Graugusslagerbock
Hobelwerk
- Massive Rückschlagsicherungen verhindern den Rückschlag von Werkstücken
- TERSA-Hobelmesserwelle mit drei Messern sorgt für ein optimales Hobelbild
Der Materialeinzug
- Schrägverzahnte Stahleinzugswalzen für einen konstanten und gleichmäßigen Materialeinzug ohne Abdrücke
- Mehrere Zähne greifen gleichzeitig für kraftvollen Vorschub
- Verschleißfrei im Gegensatz zu Gummieinzugswalzen
HerstellerSCM Group S.p.A Div. MINIMAX
Via Casale 450, 47826 Villa Verucchio (RN), Italien
minimax@scmgroup.com
Technische Daten:
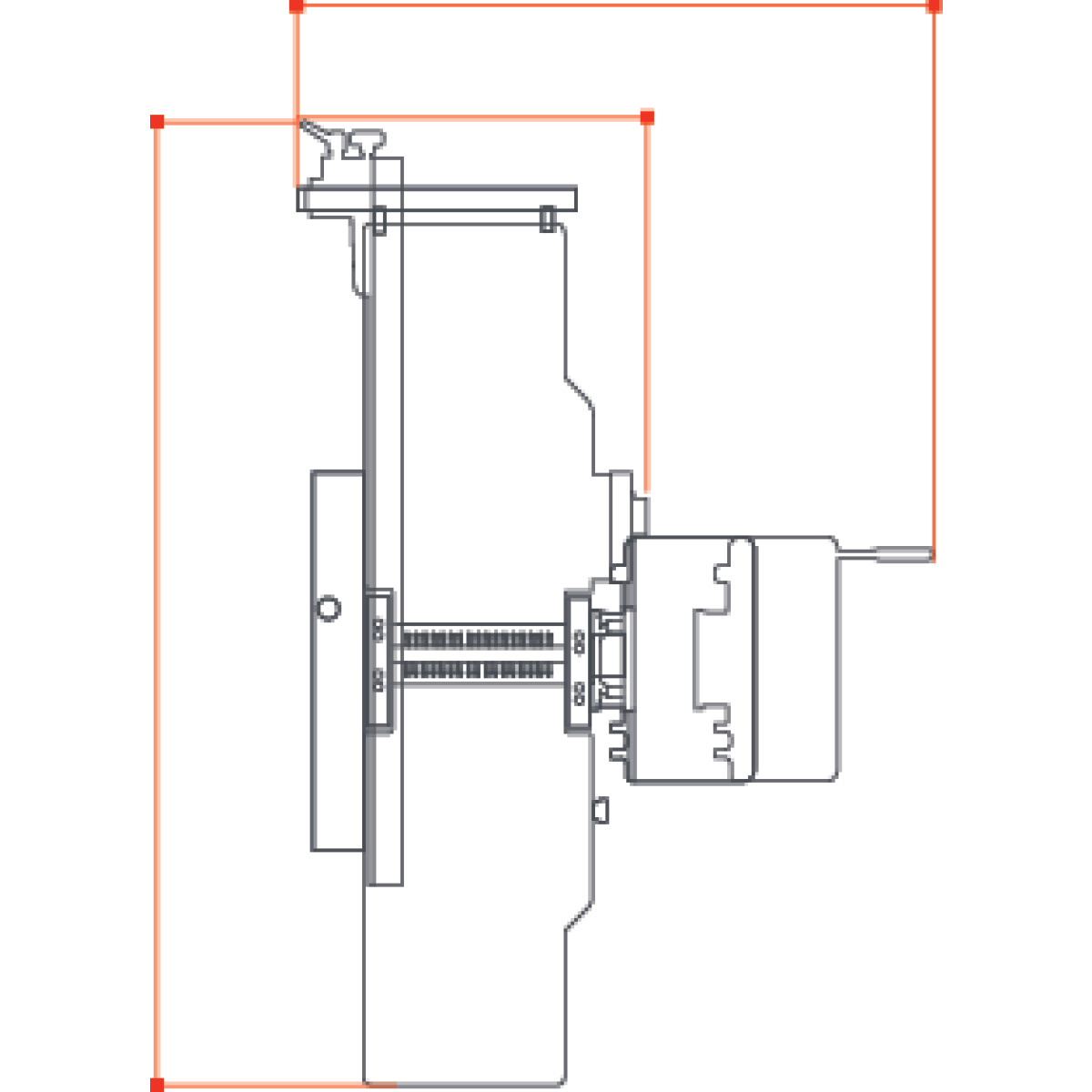
Abmessungen und Gewichte
- Länge (Produkt) ca.: 2015 mm
- Breite/Tiefe (Produkt) ca.: 990 mm
- Gewicht (Netto) ca.: 330 kg
Abrichte
- Gesamtlänge der Tische: 1800 mm
- Arbeitshöhe: 900 mm
- Spanabnahme max. Abrichte: 4 mm
Anschluss Absaugung
- Anzahl Absaugstutzen: 2
- Absaugstutzendurchmesser Dicke: 120 mm
Aufstellinformationen
- Platzbedarf Länge: 2015 mm
- Platzbedarf Breite/Tiefe: 1460 mm
- Erläuterung Platzbedarf: Die Maße berücksichtigen maximale Verfahrwege oder Nutzlängen.
- Maschinenkörper Länge: 659 mm
- Maschinenkörper Breite/Tiefe: 596 mm
- Arbeitsbereich Länge: 1000 mm
- Arbeitsbereich Breite/Tiefe: 3500 mm
- Erläuterung zu Arbeitsbereich: Die angegebenen Maße bitte mit dem Platzbedarf addieren, um die für die Maschine empfohlene freie Aufstellfläche zu erhalten.
Dicke
- Dickentisch Länge: 605 mm
- Dickentisch Breite: 420 mm
- Arbeitshöhe Dicke min.: 3 mm
- Arbeitshöhe Dicke max.: 230 mm
- Spanabnahme max. Dicke: 4 mm
Elektrische Daten
- Leistung Antriebsmotor: 5 kW
- Anschlussspannung: 400 V
- Netzfrequenz: 50 Hz
Hobelmesserwelle
- Hobelwellentyp: TERSA
- Hobelwellendurchmesser: 72 mm
- Anzahl Hobelmesser: 3 St
- Hobelwellendrehzahl: 5200 min¯¹
- Hobelbreite max.: 410 mm
Vorschub
- Vorschubgeschwindigkeit: 7 m/min
Lieferumfang:
- TERSA-Hobelmesserwelle
- eloxierter Aluminium-Abrichtanschlag