- Die Werkstückklemmung erfolgt mittels Fußpedal, dadurch bleiben beide Hände frei für die Materialzuführung
- Unterschiedliche Werkzeugvarianten erhältlich E, S2, HS2 und HSG
- Der kräftige Hilfszylinder erleichtert das Biegen
- Weiter Durchlass zwischen Ober- und Unterwange von bis zu 25 mm
- Selbstschmierende Gleitlager
- Klemmdruck der Oberwange über griffige Rändelschrauben einfach einstellbar
- Einstellung der Materialstärke mittels Rändelschraube
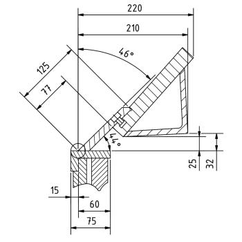
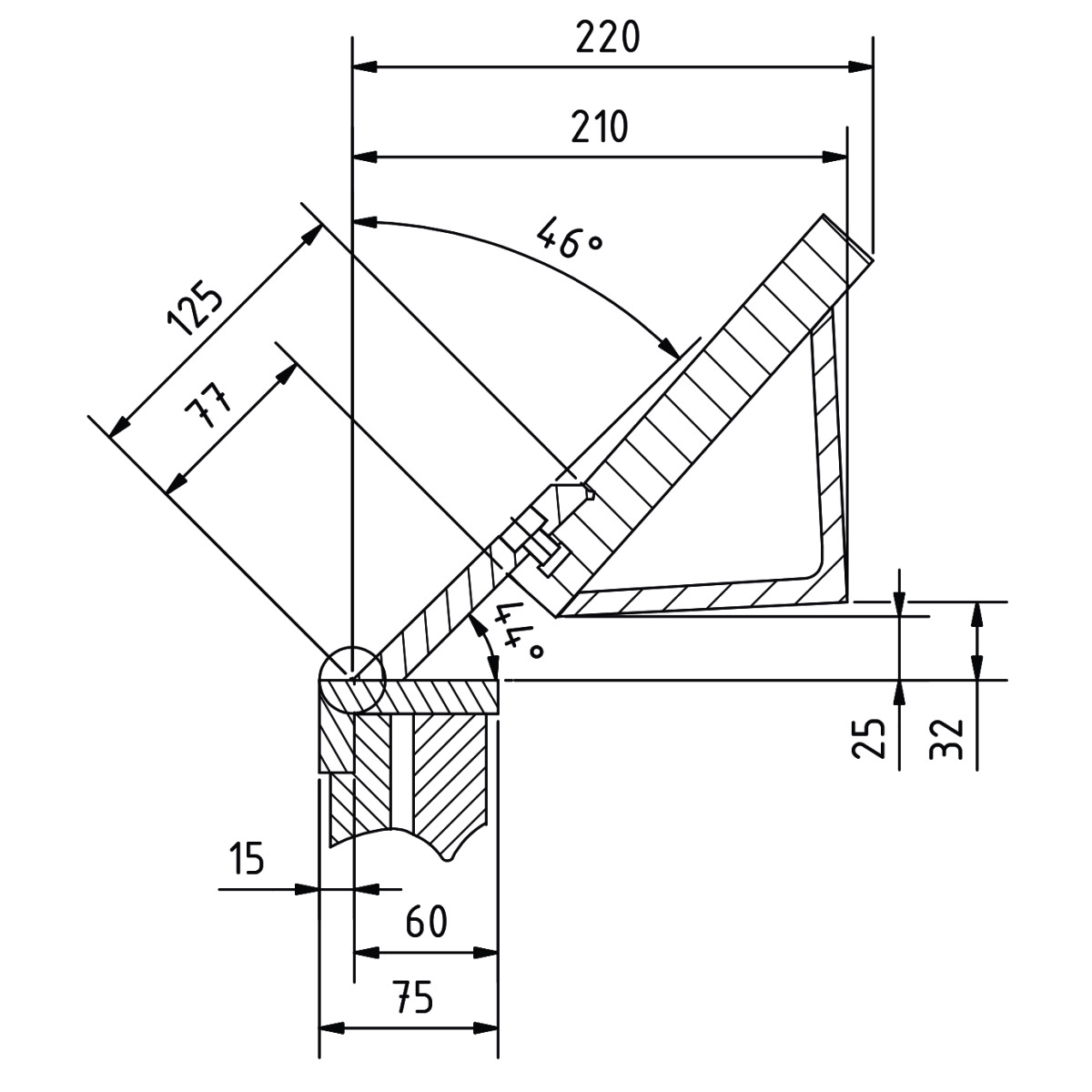
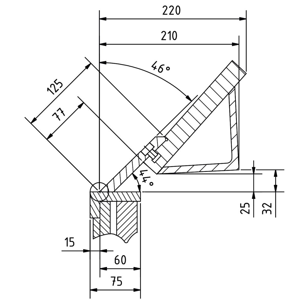
- Verstellbarer Anschlag für Biegewinkel
Ausstattungsdetails:FSBM 1270-20 E
- Mit segmentierten Scharfbiegewerkzeugen, durchgehender Biegeleiste und durchgehender Bettauflage
FSBM 1020-20 S2
- Mit segmentierten Scharfbiegewerkzeugen, segmentierter Biegeleiste und durchgehender Bettauflage
FSBM 1020-20 HSG
- mit segmentierten Geißfußwerkzeugen, segmentierter Biegeleiste und segmentierter Bettauflage
- Segmente haben einen Härtegrad von HRC24-26
HerstellerStürmer Maschinen GmbH
Dr.-Robert-Pfleger-Str. 26, 96103 Hallstadt, Deutschland
info@stuermer-maschinen.de
Technische Daten:
- Arbeitsbreite max.: 1270 mm
- Biegewinkel max.: 135 °
- Segmentaufteilung: 25-30-35-40-45-50-75-100-150-200-250-270 mm
Abmessungen und Gewichte
- Länge (Produkt) ca.: 1600 mm
- Breite/Tiefe (Produkt) ca.: 800 mm
- Höhe (Produkt) ca.: 1130 mm
- Gewicht (Netto) ca.: 340 kg
Biegeleistung
- Biegeleistung 235 N/mm²: 2,0 mm
- Biegeleistung 700 N/mm²: 1,2 mm
- Erläuterung Biegeleistung 700 N/mm²: Zum Biegen von VA sind gehärtete Oberwerkzeuge erforderlich
- Biegeleistung Aluminium: 2,4 mm