- Kranausleger vierfach verstellbar, Traglast je nach Ausladung
- Sicherheitshaken am Auslegerarm
- Vier robuste Lenkrollen für sicheren Stand während der Benutzung, zwei davon mit Feststellbremse
- Einfaches Verfahren mit je zwei Lenkrollen mit Feststellbremse und Transportrollen im zusammengeklappten Zustand
- Platzsparende Aufbewahrung durch klappbare Fußrohre
- Schnell auf- und abbaubar
HerstellerStürmer Maschinen GmbH
Dr.-Robert-Pfleger-Str. 26, 96103 Hallstadt, Deutschland
info@stuermer-maschinen.de
Technische Daten:
- Tragkraft: 2 t
- Hubarmlänge: 1515 / 1335 / 1155 / 975 mm
- Hubhöhe min.: 25 mm
- Erläuterung Tragkraft: Tragkraft beträgt 0,5, 1, 1,5 oder 2 t abhängig von der Hubarmlänge
- Hubhöhe max.: 2240 mm
Abmessungen und Gewichte
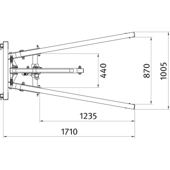
- Länge (Produkt) ca.: 1710 mm
- Breite/Tiefe (Produkt) ca.: 1000 mm
- Höhe (Produkt) ca.: 1490 mm
- Unterfahrhöhe: 190 mm
- Gewicht (Netto) ca.: 90.5 kg
- Lichte Weite vorne: 890 mm
- Lichte Länge: 1290 mm
- Länge zusammengeklappt: 850 mm
- Breite/Tiefe zusammengeklappt: 558 mm
- Höhe zusammengeklappt: 1600 mm